-
ホーム
-
コネクタキャップ
-
ポリカーボネート 鍋小ネジ
▼コネクタ用キャップ カテゴリ一覧▼
▼電子機器組込用パーツ カテゴリ一覧▼
▼樹脂小ネジ カテゴリ一覧▼
ナイロン66製の蝶ネジと蝶ナットです。
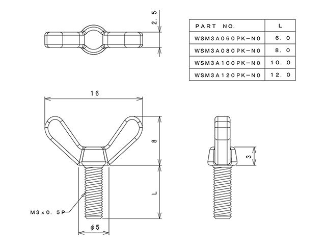
M3蝶ネジ
M3蝶ネジ
【特徴】軽量で耐衝撃・絶縁性があります。
【使用例】
【寸法図】

【原材料】Nylon66RoHSUL対応
高さ A(mm) | 入数 | 型番 |
| 6.0 | 1,000 | WSM3A060PK-N0-1K |
| 8.0 | 1,000 | WSM3A080PK-N0-1K |
| 10.0 | 1,000 | WSM3A100PK-N0-1K |
| 12.0 | 1,000 | WSM3A120PK-N0-1K |
RoHSRoHS規制10物質対応品
UL対応UL対応品
※材質は主材料を表します。ピグメント(顔料)など基材樹脂以外の成分を含む場合がございます。UL材は主材料における対応を表します。
本製品は以下の 検索用キーワードにも該当します:
キャップ,ポートキャップ,カバー,コネクタカバー,コネクターカバー,コネクタキャップ,コネクターキャップ,ポートカバー,モジュラーキャップ,モジュラーカバー,
蓋,防塵,防塵カバー, 防塵キャップ,防塵用品,防塵アクセサリ,接触不良対策用品, 接触不良予防,プラスチックカバー,プラキャップ,PCキャップ ,セキュリテイ,誤挿入防止,
接点保護,コネクタオプション,コネクタアクセサリ,透明キャップ 、Connector, Cap, Cover, Protect, Dust Proof, Dust proof, Moduler,
Last update: